
Ender 3 Pirinç Trapez Yaylı Somun
Z Ekseni Boşluklarını Gideren Anti-Backlash Teknolojisi ile Hassas Katman Hizalaması
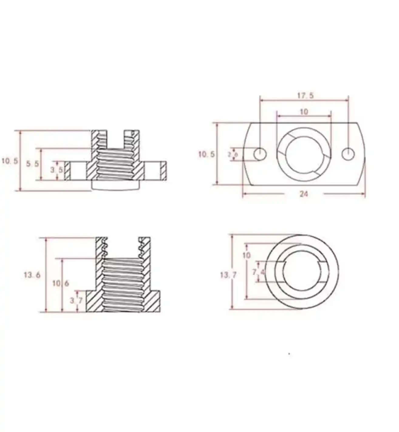
Ender 3 Pirinç Trapez Yaylı Somun, 3D yazıcıların Z ekseni mekanizmasında oluşan ve "backlash" olarak bilinen mikroskobik boşlukları ortadan kaldırmak için tasarlanmış profesyonel bir yükseltmedir. İki parçalı pirinç gövde ve aradaki gergi yayı sayesinde trapez mil dişlerini sürekli baskı altında tutar; bu da eksen hareketlerindeki kararsızlıkları ve katmanlar arasındaki tutarsızlıkları tamamen önler.
Yüksek kaliteli pirinç malzemeden üretilen bu somun, ısıya ve aşınmaya karşı üstün direnç gösterirken, trapez mil üzerindeki sürtünmeyi minimize ederek motor yükünü hafifletir. Özellikle hassas kalibrasyon gerektiren projelerde ve yüksek kaliteli yüzey bitişi arayan kullanıcılar için geliştirilmiştir. Ender 3 ve Pro modelleriyle tam uyumlu yapısı, herhangi bir modifikasyon gerektirmeden mekanik stabiliteyi artırmanızı sağlar, böylece her baskıda daha profesyonel ve pürüzsüz sonuçlar elde edilir.
Öne Çıkan Teknik Avantajlar
- Anti-Backlash Mekanizması: Yaylı yapısı ile mil üzerindeki boşlukları sıfırlayarak hassasiyeti maksimize eder.
- Mükemmel Z Ekseni Stabilitesi: Dikey hareketlerdeki sarsıntıları engelleyerek katman kaymalarını önler.
- Düşük Sürtünme Katsayısı: Pirinç alaşımı sayesinde mil üzerinde aşınma yapmaz ve sessiz çalışma sunar.
- Yüksek Isı Direnci: Isınan mekanik parçalar üzerinde formunu koruyarak güvenilir performans sergiler.
- Hızlı Kurulum: Standart T8 trapez mil somunu yuvalarıyla tam uyumlu, zahmetsiz değişim imkanı.
Ürün Teknik Detayları
| Parametre | Özellik / Veri |
|---|---|
| Uyumlu Modeller | Ender 3, Ender 3 Pro, Ender 3 V2 ve Diğer T8 Uyumlu Yazıcılar |
| Malzeme Tipi | Yüksek Kalite Pirinç + Çelik Gergi Yayı |
| Diş Tipi | T8 Trapez Mil Uyumlu (8mm Hatve) |
| Fonksiyon | Boşluk Giderme (Anti-Backlash) ve Z-Hassasiyeti |
| Kullanım Ömrü | Uzun Süreli Kararlılık ve Düşük Bakım İhtiyacı |
Ürün Görseli
Paket Bilgileri1x Pirinç Anti-Backlash Trapez Somun



















































































